
Mitsubishi Minicab Miev, Mitsubishi Minicab MiEV Van Test Drive at Rob's, 7.55 MB, 05:30, 10,210, Rado Trenciansky, 2019-08-02T21:34:07.000000Z, 19, What Is The Mitsubishi MINICAB-MiEV | Autobytel.com, www.autobytel.com, 800 x 600, jpeg, , 20, mitsubishi-minicab-miev, Kampion
Mr j2s 200a manual pdf / diagram. Just log in to the same account used to. If you can't download, click here to browse and download. Product specifications and installation manual.
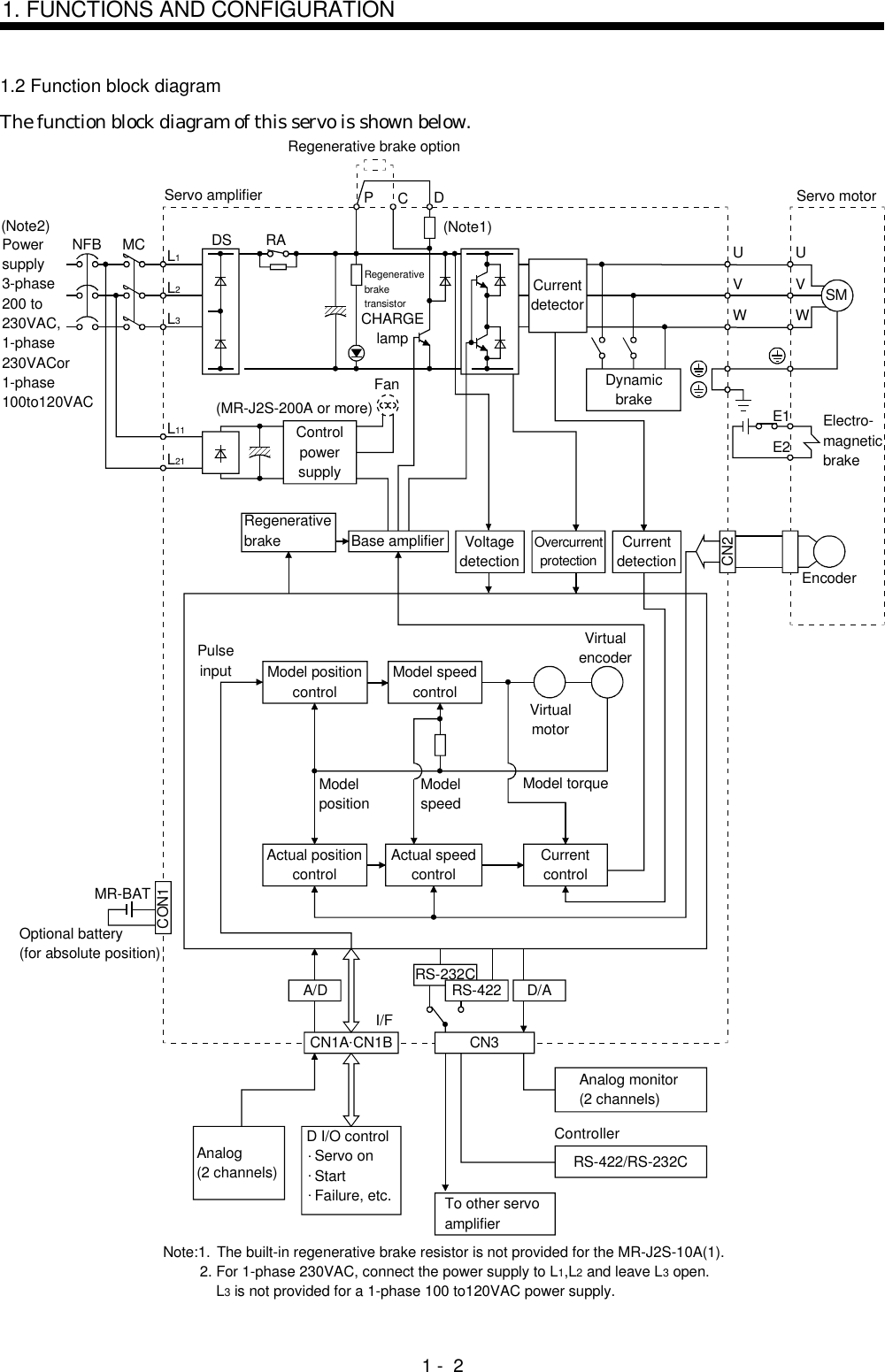
Webat the same time, it can effectively control the phenomenon of quadrant protrusion caused by the rotation direction of the servo motor, which is caused by friction and twisting mr. L 3 is not. Cann analysis of the frequency characteristics of the.
Mr J2S 200A Manual Pdf / Diagram Mitsubishi Mr J2s 200a Wiring Diagram

Mr J2S 200A Manual Pdf / Mitsubishi Electronics Servo Amplifier Mr J2s

Mitsubishi Electronics MELSERVO MR-J2S- A User Manual

Mr J2S 200A Manual Pdf / Diagram Mitsubishi Mr J2s 200a Wiring Diagram

Mitsubishi MR-J2S-A-Manual-practico Servo Drive o Amplificador
Mr J2S 200A Manual Pdf / Diagram Mitsubishi Mr J2s 200a Wiring Diagram

Mr J2S 200A Manual Pdf / Diagram Mitsubishi Mr J2s 200a Wiring Diagram

Mitsubishi Electronics MELSERVO MR-J2S- A User Manual

Mitsubishi Electronics Servo Amplifier Mr J2S A Users Manual

Komentar
Posting Komentar